Конвейерная специальная роликовая цепь C10B-G1F1 с резиновым профилем (эластомером) и специализированными особенностями изготавливается по стандарту ISO 606 DIN 8187. Материал резинового профиля отличается износостойкостью, устойчивостью к маслам и кислотам, а также может иметь различный цвет.
Основное преимущество таких цепей — бережная транспортировка продуктов как изделия из пластмассы и керамики, пластиковые окна и аккумуляторы без механических и косметических повреждений. Помимо этого они широко применяются во многих отраслях промышленности как предприятия легкой и пищевой промышленности, заводы по производству пластиковых труб, а так же фанерные и деревообрабатывающие производства.

Роликоподшипники представляют собой подшипники, в которых в качестве силовых элементов используются цилиндрические тела ...
Цель подшипников заключается в предотвращении прямого контакта металла между двумя элементами, находящимися в относительном...
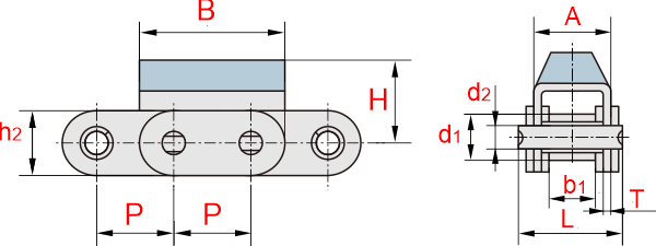
Приводная роликовая цепь включает в себя: валик, втулку, ролик и пластину. Если любая из деталей изнашивается, то это может...